整個設計是從材料試驗開始的。我們希望尋找一種可以勝任空間中所有部位的主材。在嚐試各種材料之後,我們選定了樺木多層板。
第二步我們由場地的柱網尺寸細分得出所有零件基本模數,根據這套模數確定零件的基本骨架間距。再按照不同的受力關係確定所使用板材的厚度,最終深入到節點確定材料之間的連接關係。於是形成了空間中的各種零件:桌、椅、架、牆、門、隔斷,以及空間裝置。
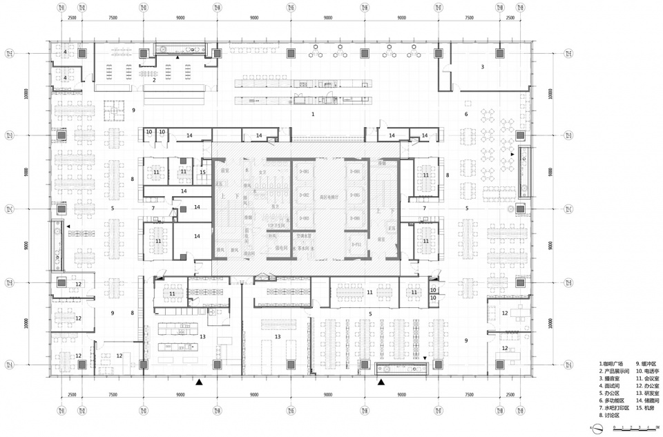
這樣的設計步驟使所有的零件成為一個完整的係統,並可以與場地的模數完美匹配。有了這套零件係統之後,我們就可以應付複雜的功能劃分,以及多變的使用需求。空間的整體布局遵從一個小城鎮的規劃邏輯。它的空間係統由主路、支路、廣場、街區、公園和紀念物組成。
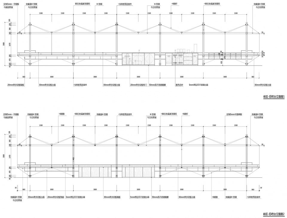
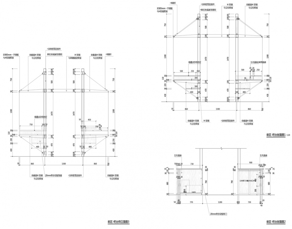
我們在入口區域設計了也是空間係統中最開放的部分:“咖啡廣場”。這是這個小城鎮的“居民”每天的必經之路,也是交流、休息、聚會和接待訪客的場所。廣場的核心是一個複雜結構組成的線性咖啡吧台,我們引入了類似橋梁結構的鋼結構懸掛係統,使它匹配這個室內廣場空間的尺度。同時我們設計了可以任意組合的座凳,形成廣場上不斷變化的景觀。
展廳緊鄰廣場,是城鎮中的“精神空間”。它被設計成一個望向廣場的玻璃盒子。在這裏,我們將家具的模數單元分的更小,形成可以拚插組合的模塊。由此適應不同尺寸的展品及各種展覽場景。
由廣場可以通向各個部門的辦公“街區”,在到達這些街區之前,我們設置了大大小小的緩衝空間,這裏是辦公室中的“公園”。公園中有可供隨時停留、討論的坐席和書寫板。在公園的中心放置了有趣的空間裝置。這些裝置如同城市中的“紀念碑”,提示出不同區域的入口。
街區內部的辦公家具並沒有明顯的工位邊界。桌腿充分後退,這為工位的布置帶來了靈活性。同樣寬度的長桌可以在企業發展的不同階段提供給一人、兩人或三人辦公。核心研發部門也有自己的緩衝空間和開放討論區,並有開闊的景觀視野。收納家具也具有更高的組合靈活度。
在這樣的規劃思路下,三頓半上海辦公室能夠提供給所有員工不同私密度的、靈活的工作場景。豐富的空間細節也會為每一個從事創造性勞動的工作者帶來日常的愉悅感。
∇ 平麵圖
∇ 吧台立麵圖
∇ 吧台剖麵圖
∇ 吧台燈具圖
∇ 家具表
項目信息
項目名稱:三頓半上海辦公室
設計:空間站建築師事務所
項目設計:2022年5月-2022年7月
施工完成:2022年12月
設計團隊:
主創設計師:汪錚
項目負責人:王方超
設計團隊:易瓊、楊傑、靳賽賽、王靜靜、龔青霞
施工圖負責人:許輝
給排水設計:張沙
暖通設計:盧芊
電氣設計:閆天雄
甲方項目管理:李海蛟、莊尼”
項目地址:上海市,徐彙區
建築麵積:1978.5平方米
攝影版權:空間站建築師事務所
合作方 攝影:金偉琦
客戶:三頓半咖啡
品牌 1. 樺木多層板:東莞知木木業
2. DESSO針刺植絨地毯:北京騰順飛裝飾材料有限公司
3. 水泥板:上海綠活新型建材有限公司






























